山東萬象環境科技有限公司
聯系人:劉經理
聯系電話:13276362033
QQ:1294284350
公司地址:山東省濰坊高新區新城街道玉清社區光電路155號濰坊高新區光電產業加速器(一期)1號樓301

聯系人:劉經理
聯系電話:13276362033
QQ:1294284350
公司地址:山東省濰坊高新區新城街道玉清社區光電路155號濰坊高新區光電產業加速器(一期)1號樓301

產品型號:WX-QT4
產品價格:電議
產品品牌:萬象系
15666889815
在線咨詢一、臭氧傳感器技術參數
臭氧傳感器又稱臭氧氣體傳感器,臭氧傳感器具有響應速度快、穩定性好、選擇性較好的特點,能夠在多種氣體共存的環境中較為準確地檢測出臭氧濃度,可檢測 PPB 級濃度,檢測精度高,可實時監測生產過程中的臭氧濃度,確保生產安全和產品質量,也可用于監測大氣中的臭氧濃度,幫助環保部門評估空氣質量。
型號 | 測量參數 | 測量范圍 | 精度 | 分辨率 | 單位 | 工作溫度 | 工作濕度 |
QT1 | 一氧化碳 | 0-1000PPM | ±2PPM | 1PPM | PPM | -20℃-+50℃ | 10-95%RH無冷凝 |
QT1S | 0-20PPM | ≤±5% | 0.01PPM | PPM | -20℃-+50℃ | 10-95%RH無冷凝 | |
QT2 | 二氧化硫 | 0-20PPM | ±1PPM | 0.1PPM | PPM | -20℃-+50℃ | 10-95%RH無冷凝 |
QT2S | 0-1PPM | ≤±5% | 0.001ppm | PPM | -20℃-+50℃ | 10-95%RH無冷凝 | |
QT3 | 二氧化氮 | 0-20PPM | ±1PPM | 0.1PPM | PPM | -20℃-+50℃ | 10-95%RH無冷凝 |
QT3S | 0-1PPM | ≤±5% | 0.001ppm | PPM | -20℃-+50℃ | 10-95%RH無冷凝 | |
QT4 | 臭氧 | 0-20PPM | ±1PPM | 0.1PPM | PPM | -20℃-+50℃ | 10-95%RH無冷凝 |
QT4S | 0-1PPM | ≤±5% | 0.001ppm | PPM | -20℃-+50℃ | 10-95%RH無冷凝 | |
QT5 | 氧含量 | 0~30%VOL | ±3%FS | 0.1%VOL | VOL | -20℃-+50℃ | 5-95%RH 無冷凝 |
QT6 | 負氧離子 | 0~10萬 個/cm3 | ±10% | 10個/cm3 | 個/cm3 | +10℃-+70℃ | 10-70%RH無冷凝 |
QT7 | 硫化氫 | 0-100PPM | ±2PPM | 1PPM | PPM | -20℃-+50℃ | 10-95%RH無冷凝 |
QT8 | 甲烷 | 0-100%LEL | ≤±3% | 1%LEL | LEL | -20℃-+50℃ | 10-95%RH無冷凝 |
QT9 | TVOC | 0-100PPM | 55±15 nA/ppm | 1PPM | PPM | -20℃-+50℃ | 10-95%RH無冷凝 |
QT10 | 氨氣 | 0-100PPM | ±4PPM | 1PPM | PPM | -20℃-+50℃ | 10-95%RH無冷凝 |
QT11 | 一氧化氮 | 0-250PPM | -2~10PPM | 1PPM | PPM | -20℃-+50℃ | 10-95%RH無冷凝 |
QT12 | 甲醛 | 0-10PPM | <1PPM | 0.1PPM | PPM | -20℃-+50℃ | 10-95%RH無冷凝 |
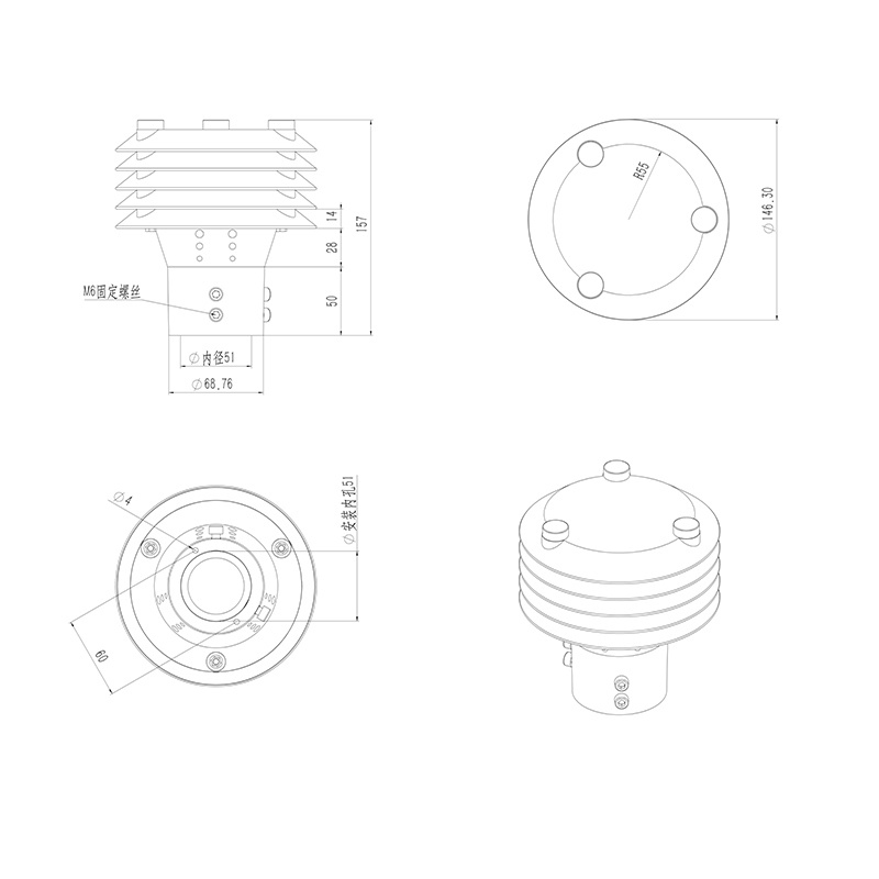
二、產品尺寸圖

選擇光伏發電環境監測系統的幾個突出優勢
2025-11-14孢子捕捉監測分析系統在多個場景中都有應用
2025-11-14風力發電結冰傳感器如何感知葉片上的危險結晶?
2025-11-13造波水池波浪測量儀何記錄水體的生命律動?
2025-11-13景區新名片——防腐木負氧離子監測系統
2025-11-12從接觸到遙感:野外在線雷達雨量水位監測站
2025-11-12從鼠患猖獗到智能防控——草原鼠害監測系統
2025-11-11能見度傳感器如何守護高速行車安全?
2025-11-11稻飛虱在線監測儀對于水稻種植的幫助
2024-09-11校園自動氣象站設備——一款電閃雷鳴仍穩當中小校園氣象站設備2023已更新
2023-02-15超聲波風速風向記錄儀——實時監測“風”的動態
2023-06-16氣象五參數測定儀監測參數有哪些?
2024-01-29校園自動氣象站:開啟小學科學探索的“氣象窗口”
2025-09-03多功能氣象站監測設備有哪些作用
2022-01-10水質在線監測設備工作原理
2024-05-08防爆氣象站可謂是工人的安全保障線
2023-07-07山東萬象環境科技有限公司主營手持氣象站,便攜式氣象站,農業氣象站,負氧離子監測站,氣象站監測設備等,支持客戶定制參數,歡迎選購!
Copyright @ 2019-2027山東萬象環境科技有限公司版權所有
魯公網安備37079402370805 ICP備案號:魯ICP備2022000322號-3 網站部分內容來自網絡,如有侵權請聯系管理員刪除