山東萬象環境科技有限公司
聯系人:劉經理
聯系電話:13276362033
QQ:1294284350
公司地址:山東省濰坊高新區新城街道玉清社區光電路155號濰坊高新區光電產業加速器(一期)1號樓301

聯系人:劉經理
聯系電話:13276362033
QQ:1294284350
公司地址:山東省濰坊高新區新城街道玉清社區光電路155號濰坊高新區光電產業加速器(一期)1號樓301

產品型號:WX-B4
產品價格:電議
產品品牌:萬象系
15666889815
在線咨詢一、溫濕度大氣壓噪聲傳感器產品簡介
溫濕度大氣壓噪聲傳感器又稱溫濕度氣壓傳感器,溫濕度噪音傳感器,溫濕度大氣壓噪聲傳感器可以測量溫濕度、大氣壓力、噪聲、PM2.5、 PM10 六種參數,適用于室外氣體環境監測領域。
山東萬象環境科技有限公司作為專業研發生產氣象傳感器的企業,一直致力于氣象傳感器和氣象環境解決方案推廣應用。具有完整的生產鏈、實力雄厚的技術團隊和全面的營銷團隊,我們研發生產的傳感器已廣泛應用到智慧農業、氣象監測、城市環境監測、風力發電、航海船舶、航空機場、橋梁隧道等領域,客戶遍布全國各地,并取得了良好的社會效益和經濟效益。
二、產品特點
1、抗干擾能力強,具有看門狗電路,自動復位功能,保證系統穩定運行
2、高集成度,無移動部件,零磨損
3、免維護,無需現場校準
4、采用ASA工程塑料室外應用常年不變色
5、產品設計輸出信號標配為RS485通訊接口(MODBUS協議);可選配232、USB、以太網接口,支持數據實時讀取☆
6、可選配無線傳輸模塊,最小傳輸間隔1分鐘
三、技術參數
1、空氣溫度:-40-60℃(±0.3℃);(北京市氣象局校準證書)
2、空氣濕度:0-100%RH(±3%RH);(北京市氣象局校準證書)
3、大氣壓力:30-110Kpa(±0.25%);(北京市氣象局校準證書)
4、噪聲:30-120dB(±1.5dB)
5、功率:0.12W
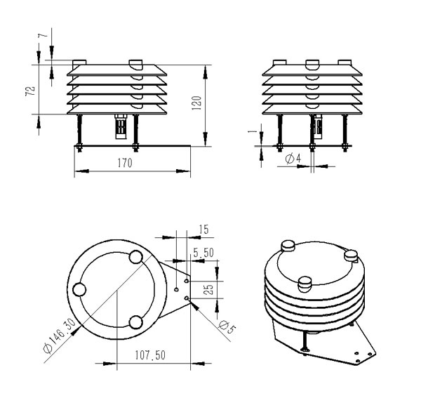
四、產品尺寸圖
五、產品結構圖
選擇光伏發電環境監測系統的幾個突出優勢
2025-11-14孢子捕捉監測分析系統在多個場景中都有應用
2025-11-14風力發電結冰傳感器如何感知葉片上的危險結晶?
2025-11-13造波水池波浪測量儀何記錄水體的生命律動?
2025-11-13景區新名片——防腐木負氧離子監測系統
2025-11-12從接觸到遙感:野外在線雷達雨量水位監測站
2025-11-12從鼠患猖獗到智能防控——草原鼠害監測系統
2025-11-11能見度傳感器如何守護高速行車安全?
2025-11-11高標準農田設備——農田小氣候觀測站
2024-07-18田間小氣候監測設備提醒注意春旱問題
2022-02-24使用四要素一體自動氣象站的必要性
2022-01-18校園氣象監測系統:從微風到暴雨,盡在“掌”握之中
2025-02-28農情監測系統,助力農田高效管理!
2025-02-25手持式微型自動氣象站——超聲波手持式氣象站
2023-04-19交通能見度監測氣象站——一款相當清醒不迷茫的10km能見度監測站2023已更新
2023-03-22液晶屏防爆氣象站在什么場所發揮作用?
2024-12-30山東萬象環境科技有限公司主營手持氣象站,便攜式氣象站,農業氣象站,負氧離子監測站,氣象站監測設備等,支持客戶定制參數,歡迎選購!
Copyright @ 2019-2027山東萬象環境科技有限公司版權所有
魯公網安備37079402370805 ICP備案號:魯ICP備2022000322號-3 網站部分內容來自網絡,如有侵權請聯系管理員刪除